5.1 一般规定
5 接地与防雷

5.1 一般规定

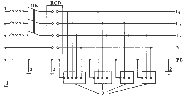
5.1.1 在施工现场专用变压器的供电的TN-S接零保护系统中,电气设备的金属外壳必须与保护零线连接。保护零线应由工作接地线、配电室(总配电箱)电源侧零线或总漏电保护器电源侧零线处引出(图5.1.1)。


图5.1.1 专用变压器供电时TN-S接零保护系统示意
1-工作接地;2-PE线重复接地;3-电气设备金属外壳(正常不带电的外露可导电部分);L1、L2、L3-相线;N-工作零线;
PE-保护零线;DK-总电源隔离开关;RCD-总漏电保护器(兼有短路、过载、漏电保护功能的漏电断路器);T-变压器

5.1.2 当施工现场与外电线路共用同一供电系统时,电气设备的接地、接零保护应与原系统保持一致。不得一部分设备做保护接零,另一部分设备做保护接地。
    采用TN系统做保护接零时,工作零线(N线)必须通过总漏电保护器,保护零线(PE线)必须由电源进线零线重复接地处或总漏电保护器电源侧零线处,引出形成局部TN-S接零保护系统(图5.1.2)。

图5.1.2 三相四线供电时局部TN-S接零保护系统保护零线引出示意
1-NPE线重复接地;2-PE线重复接地;L1、L2、L3-相线;N-工作零线;PE-保护零线;
DK-总电源隔离开关;RCD-总漏电保护器(兼有短路、过载、漏电保护功能的漏电断路器)

5.1.3 在TN接零保护系统中,通过总漏电保护器的工作零线与保护零线之间不得再做电气连接。

5.1.4 在TN接零保护系统中,PE零线应单独敷设。重复接地线必须与PE线相连接,严禁与N线相连接。

5.1.5 使用一次侧由50V以上电压的接零保护系统供电,二次侧为50V及以下电压的安全隔离变压器时,二次侧不得接地,并应将二次线路用绝缘管保护或采用橡皮护套软线。
    当采用普通隔离变压器时,其二次侧一端应接地,且变压器正常不带电的外露可导电部分应与一次回路保护零线相连接。
    以上变压器尚应采取防直接接触带电体的保护措施。

5.1.6 施工现场的临时用电电力系统严禁利用大地做相线或零线。

5.1.7 接地装置的设置应考虑土壤干燥或冻结等季节变化的影响,并应符合表5.1.7的规定,接地电阻值在四季中均应符合本规范第5.3节的要求。但防雷装置的冲击接地电阻值只考虑在雷雨季节中土壤干燥状态的影响。

表5.1.7 接地装置的季节系数φ

埋深 (m)

水平接地体

长2~3m的垂直接地体

0.5

1.4~1.8

1.2~1.4

0.8~1.0

1.25~1.45

1.15~1.3

2.5~3.0

1.0~1.1

1.0~1.1

    注:大地比较干燥时,取表中较小值;比较潮湿时,取表中较大值。

5.1.8 PE线所用材质与相线、工作零线(N线)相同时,其最小截面应符合表5.1.8的规定。

表5.1.8 PE线截面与相线截面的关系

相线芯线截面S(mm2)

PE线最小截面(mm2)

S≤16

5

16<S≤ 35

16

S>35

S/2

5.1.9 保护零线必须采用绝缘导线。
    配电装置和电动机械相连接的PE线应为截面不小于2.5mm2的绝缘多股铜线。手持式电动工具的PE线应为截面不小于1.5mm2的绝缘多股铜线。

5.1.10 PE线上严禁装设开关或熔断器,严禁通过工作电流,且严禁断线。

5.1.11 相线、N线、PE线的颜色标记必须符合以下规定:相线L1(A)、L2(B)、L3(C)相序的绝缘颜色依次为黄、绿、红色;N线的绝缘颜色为淡蓝色;PE线的绝缘颜色为绿/黄双色。任何情况下上述颜色标记严禁混用和互相代用。