3.2 风 道

3.2 风 道

3.2.1 风道代号宜按表3.2.1采用。


3.2.2 自定义风道代号不应与本标准表3.2.1的规定矛盾,并应在相应图面说明。

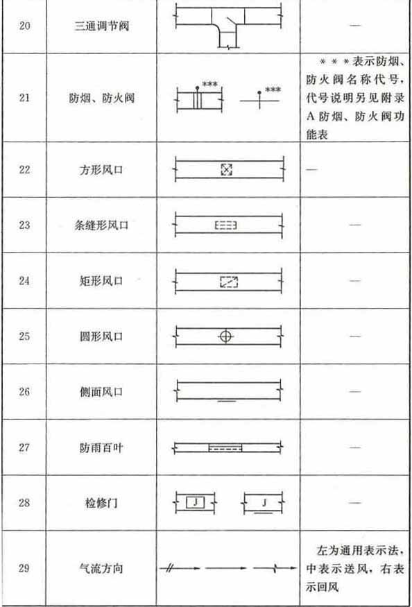
3.2.3 风道、阀门及附件的图例宜按表3.2.3-1和表3.2.3-2采用。